R&S SMM100A 向量訊號產生器
具備毫米波 (mmWave) 測試能力的中階向量訊號產生器
R&S SMM100A 向量訊號產生器在從 100 kHz 至 44 GHz 的整個頻率範圍內提供了卓越的 RF 特性,此儀器涵蓋了 5G NR FR1 和 Wi-Fi 8 無線標準所使用的 7.125 GHz 以下頻段,以及高達 44 GHz 的 5G NR FR2 頻段。
R&S SMM100A 內建的基頻產生器支援最高 1 GHz 的 RF 調變頻寬,因此它可以產生現行無線標準所需的數位調變寬頻訊號,R&S SMM100A 已為未來的頻寬需求做好了充分準備。
卓越的 SSB 相位雜訊和 EVM 性能
搭配 R&S SMM-B709 低相位雜訊選配
R&S SMM100A 向量訊號產生器在 1 GHz RF 頻率、20 kHz 偏移條件下,SSB 相位雜訊規格為 < –129 dBc,典型值甚至更低,為 –134 dBc(低了 5 dB);若選配 R&S SMM-B709 低相位雜訊選配,SSB 相位雜訊可進一步提升至 –139 dBc。

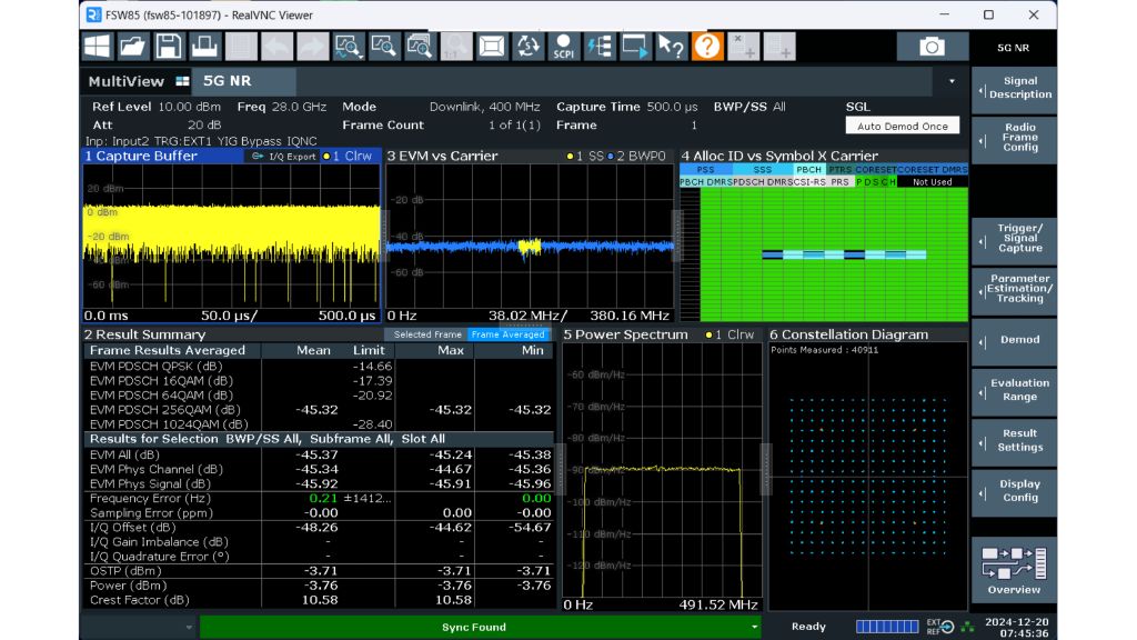
在 28 GHz 量測的 5G NR 訊號 EVM 性能:5G NR, 400 MHz, 256 QAM, 120 kHz SCS, SMM-B709, RF 線性化啟用, f = 28 GHz
卓越的 EVM 和 ACPR/ACLR 性能
R&S SMM100A 也具備傑出的調變特性,在 3.5 GHz 頻率下,針對 100 MHz 的 5G NR 訊號(符合 3GPP 測試模型 (TM) 3.1),R&S SMM100A 展現出令人印象深刻的 EVM 性能,小於 –58 dB (0.1 %);R&S SMM100A 的開發過程中,特別注重將不必要的失真降至最低,以達到最佳的相鄰通道功率比 (ACPR),針對符合 3GPP TM 1.1 的 10 MHz LTE 測試訊號,其相鄰通道的 ACLR 性能達到 –69 dBc。
透過 R&S SMM-K575 RF 線性化選配,改善高輸出功率下的性能
啟用 R&S SMM-K575 RF 線性化選配,可在較高的輸出功率下顯著改善 EVM 性能,在 3.5 GHz、輸出功率 10 dBm 條件下,針對符合 3GPP TM 3.1 的 100 MHz 5G NR 訊號,EVM 性能可提升 8 dB,相鄰通道的 ACLR 性能亦是如此。

量測的 EVM 與輸出功率的關係:f = 3.4 GHz for 5G NR, 100 MHz, 64 QAM, 60 kHz SCS, SMM-B709, RF 線性化啟用
頻率、頻寬與記憶體配置
頻率選配
R&S SMM100A 提供多種頻率選配,最高頻率可達 44 GHz,使用者可以精確配置 R&S SMM100A 以滿足實際的測試需求,儀器可產生 5G NR 的 FR1 和 FR3 頻率範圍訊號(最高 24.25 GHz)以及 FR2 頻率範圍訊號(最高 44 GHz),透過 7.5 GHz 選配,也可以精確涵蓋 Wi-Fi 8 相關的頻率範圍。
透過啟用金鑰擴展頻寬與 ARB 記憶體
在基本配置中,R&S SMM100A 支援 120 MHz 的 RF 調變頻寬,根據需求可以透過安裝許可證金鑰 (License Key) 將頻寬擴展至 1 GHz,ARB(任意波形)記憶體深度可從 64 Msample 擴展至最大 2 Gsample。

重要的軟硬體選配
結構化與直覺式的使用者介面
儀器設定可透過 8.4 吋觸控螢幕進行配置
邏輯結構化的使用者介面是以方塊圖的形式呈現,配置方塊始於基頻產生器,接著是 AWGN(加性高斯白雜訊)方塊、I/Q 調變器,以及用於訊號輸出的 RF 方塊,方塊圖呈現了訊號流,同時有助於使用者直覺地操作配置選單。
內建的圖形化分析功能允許在整個訊號流路徑中的不同點位,即時驗證已配置的基頻訊號,訊號可以即時以時域或頻譜形式顯示,基頻訊號還提供額外的分析功能。

圖形化訊號即時監測
行動通訊標準
透過廣泛的訊號產生選配,R&S SMM100A 可以產生符合最重要無線通訊標準的測試訊號,非常適合產生符合標準的 5G NR 訊號,支援至 Release 18 及 Beyond 5G (R&S SMM-K184),當配備 R&S SMM-B1044 頻率選配時,儀器可涵蓋所有高達 44 GHz 的 5G NR 頻率範圍;結合將頻寬擴展至 1 GHz 的 R&S SMM-K525 選配,儀器可以處理 5G 應用中(尤其是在 FR2 頻率範圍和載波聚合時)增加的訊號頻寬要求;R&S SMM100A 是在所有頻率範圍內進行 5G NR 基地台一致性測試(傳導式和 OTA)的理想訊號產生器。
使用者受益於預定義的測試模型和固定參考通道 (FRC),測試案例精靈 (Test Case Wizard) 簡化了 3GPP 標準的 5G NR 和 LTE BTS 一致性測試的儀器配置,使用者選定所需的一致性測試案例後,精靈會自動配置所有訊號參數和 R&S SMM100A 的其他設定。

5G NR 測試案例精靈允許 R&S SMM100A 方便巧妙地配置符合 3GPP TS 38.141 標準的 BTS 測試
準備好迎接 Wi-Fi 8 測試
IEEE 802.11ac 和 IEEE 802.11ax WLAN 標準最高使用 160 MHz 的訊號頻寬,然而 WLAN 也正朝向更大的頻寬和更高的頻率發展,在 5.8 GHz 到 7.125 GHz 的頻率範圍內,IEEE 802.11be (Wi-Fi 7) 規範了 320 MHz 的訊號頻寬。
下一個發展是 Wi-Fi 8 (IEEE 802.11bn 中標準化) 的超高可靠性 (UHR),專注於可靠性、低延遲和優化的頻譜效率,以支援可靠的 AR/VR(擴增實境/虛擬實境)和串流,並支援工業和醫療應用;透過改進編碼率、不均等調變實現更好的速率適應,以及用於動態通道切換的非主要通道存取 (non-primary channel access),可以更有效地利用資源,為了增加覆蓋範圍,導入了長距離實體層協定資料單元 (PPDU),同時分散式資源單元 (DRU) 專門為 IoT 應用中的低功率室內設備而設計。
R&S SMM100A 針對 320 MHz 訊號頻寬的 EVM 性能優於 –53 dB,滿足訊號品質的相關要求,結合 R&S SMM-B1007 頻率選配 (最高 7.5 GHz)、R&S SMM-K524 頻寬擴展 (最高 500 MHz) 以及符合標準的訊號產生選配 (支援至 Wi-Fi 8),R&S SMM100A 是用於 WLAN 元件、模組和設備測試的理想訊號產生器。

IEEE 802.11be WLAN 訊號的 EVM 量測
高速脈衝 (HRP) 超寬頻 (UWB)
近年 HRP UWB (High Rate Pulse Ultra-Wideband) 在許多應用中變得越來越重要,因為它可以極高精度地確定距離,用於行動裝置的免持存取、行動支付或資產尋找,在汽車領域,用於確定鑰匙與車輛之間距離的無鑰匙進入系統 (Keyless Entry Systems) 也相當常見。
R&S SMM-K149 HRP UWB 基頻選配支援三種指定模式的訊號產生:符合 IEEE 802.15.4 的 HRP UWB,以及符合 IEEE 802.15.4z 的基本脈衝重複頻率 (BPRF) 模式和高脈衝重複頻率 (HPRF) 模式,用於增強型測距裝置 (ERDEV);IEEE 802.15.4 也規範了 OQPSK 實體層訊號,因為它們用於 IoT 基礎設施。此訊號產生模式可透過 R&S SMM-K180 IEEE 802.15.4 OQPSK 選配獲得。
下一代 UWB 現已在 IEEE 802.15.4ab 標準的修訂案中規範,該修訂案改進了現有功能並增加了新功能,為了克服最大峰值功率和功率頻譜密度 (PSD) 的限制,下一代 UWB 引入了多毫秒 (MMS) 測距片段以進行進階測距,可透過 R&S SMM-K181 HRP UWB MMS 選配進行配置;新的感知能力 (Sensing Capabilities) 可用於入侵和接近偵測;R&S SMM-K182 HRP UWB 感知選配支援使用新定義的感知 PPDU 來產生相應的訊號。
R&S SMM100A 是 HRP UWB 接收器測試的理想選擇,透過 R&S SMM-B1012 頻率選配 (最高 12.75 GHz),R&S SMM100A 涵蓋了 HRP UWB 所使用的頻率範圍(最高 10.6 GHz);結合 R&S SMM-K525 基頻擴展選配以獲得 1 GHz RF 頻寬,儀器能夠在最重要的通道上以 1 GSample 的取樣率產生訊號。

使用 R&S SMM-K149 產生 HRP UWB 訊號