FSWP 相位雜訊分析儀與壓控振盪器 (VCO) 測試儀
專為工程師打造的高靈敏度訊號源特性分析利器
R&S FSWP 相位雜訊分析儀與壓控振盪器 (VCO) 測試儀憑藉極低雜訊的內部訊號源與互相關 (Cross-correlation) 技術,具備極高的靈敏度,它能在數秒內完成雷達等應用中高穩定訊號源的相位雜訊量測;R&S FSWP 整合了脈衝訊號量測、殘餘相位雜訊 (Residual Phase Noise) 特性分析(含脈衝訊號),以及整合式高階訊號與頻譜分析功能於一身;透過多點觸控螢幕確保操作直觀,且內嵌 SCPI 記錄器可輕鬆建立可執行的自動化腳本。
R&S FSWP 是雷達應用以及開發、製造合成器 (Synthesizers)、恆溫晶體振盪器 (OCXOs)、介質諧振振盪器 (DROs) 和壓控振盪器 (VCOs) 的理想測試解決方案,針對高階應用,其雙接收路徑設計支援互相關技術,視使用的相關次數而定,可提升靈敏度高達 25 dB;歸功於低雜訊內部本地振盪器 (Local Oscillator) 與全數位化架構,它無需額外選配即可量測大多數市售振盪器,且量測速度遠快於傳統類比解調系統。
此外,R&S FSWP 可一鍵量測脈衝訊號源的相位雜訊及元件的殘餘相位雜訊,進行殘餘相位雜訊量測時,可使用內部訊號源或外部高品質振盪器,取代以往昂貴且複雜的外部訊號源、分路器與移相器架設;R&S FSWP 亦是一台全功能訊號與頻譜分析儀,讓使用者能輕鬆在頻譜分析與相位雜訊量測通道間切換,單機即可滿足多種測試需求。
主要規格
- 相位雜訊量測的高靈敏度:歸功於互相關技術與極低雜訊內部參考源
- 典型值 –174 dBc (1 Hz),在 1 GHz 載波頻率及 10 kHz 偏移下
- 典型值 –158 dBc (1 Hz),在 10 GHz 載波頻率及 10 kHz 偏移下
- 高量測速度:拋棄舊式類比電路的繁瑣鎖定過程,改用強大的數位訊號處理 (DSP) 來「直接運算」訊號,速度快且精準
- 同步量測:同時量測振幅雜訊與相位雜訊
- 訊號與頻譜分析整合:單機整合高階訊號與頻譜分析儀及相位雜訊分析儀
- 頻率範圍 10 Hz 至 8/26.5/50 GHz
- 寬動態範圍:低顯示平均雜訊位準 (DANL) 為 –156 dBm (1 Hz) (無雜訊消除功能下),高三階截距點 (TOI) 典型值為 25 dBm
- 320 MHz 訊號分析頻寬
- 總量測不確定度:3.6 GHz 以下 < 0.3 dB,8 GHz 以下 < 0.4 dB
- 脈衝訊號量測:一鍵量測脈衝訊號源的相位雜訊
- 殘餘相位雜訊:內建訊號源用於量測殘餘相位雜訊,包含脈衝訊號
- VCO 特性分析:用於 VCO 特性分析的低雜訊內部直流電源 (DC sources) 及自動化 VCO 特性分析功能
- 瞬態分析:分析高達 8 GHz 頻寬的頻率跳變 (Transients) 及自動穩定時間量測
- 長期穩定度:量測艾倫變異數 (Allan variance)
- 頻率範圍:1 MHz 至 8/26.5/50 GHz,搭配外部諧波混頻器可達 325 GHz
- 自動化支援:SCPI 記錄器簡化程式碼產生

R&S FSWP 正面視圖
高量測速度:完美適用於產線應用
R&S FSWP 相位雜訊分析儀與 VCO 測試儀結合了快速處理器與現場可程式化邏輯閘陣列 (FPGA),可實現即時數據處理,量測時間僅取決於物理所需的數據擷取時間,訊號解調與各種量測序列的關聯運算不需額外時間。
速度是製造應用中的關鍵因素,高品質的內部訊號源表示進行相位雜訊量測時需要較少的互相關次數,這有效縮短了數據擷取時間,例如與類似系統相比,靈敏度高出 10 dB 以上;R&S FSWP 的內部訊號源在量測介質諧振振盪器 (DRO) 和恆溫晶體振盪器 (OCXO) 等高靈敏度振盪器時,所需的互相關次數減少百倍,這使得量測產能倍增,尤其是在數據擷取時間為主要決定因素的近載波 (Close-to-carrier) 量測中;此外,內嵌 SCPI 記錄器可輕鬆建立可執行腳本,節省產線自動化量測的設定時間。
加速研發流程
縮短量測時間同時也加速了研發過程,R&S FSWP 僅需數分鐘即可顯示高階振盪器的相位雜訊軌跡,這在過去通常需要數小時;訊號源的開發與優化變得更加簡單快速,因為僅需幾分鐘即可量測電路修改(例如在 OCXO 上增加新的電容或電阻)所帶來的影響。

透過 R&S FSWP 進行高階 OCXO 的相位雜訊量測
高靈敏度量測相位與振幅雜訊
內部訊號源的極低相位雜訊
至今高階相位雜訊量測系統仍需昂貴的外部訊號產生器作為參考源,這些產生器或外部訊號源的品質限制了相位雜訊量測的靈敏度;R&S FSWP 無需外部參考源,其內部本地振盪器在相位雜訊性能上幾乎超越市面上任何訊號產生器,表格顯示了內部訊號源在 1 GHz 時的典型值。若需要更高的靈敏度,互相關技術可將靈敏度提升高達 25 dB。
透過互相關技術提升相位雜訊靈敏度
為了量測極低相位雜訊的訊號源,R&S FSWP 配備了第二個本地振盪器 (R&S FSWP-B60 或 R&S FSWP-B61 選配) 以進行互相關運算,視使用的相關次數 (Correlations) 而定,這可將靈敏度提升多達 25 dB。預期的改善幅度如下:
Delta L = 5 * log(n)
Delta L:透過互相關獲得的相位雜訊靈敏度改善(單位 dB)
n:相關/平均次數
將相關次數增加 10 倍,可使 R&S FSWP 的相位雜訊底噪降低 5 dB,這將歸功於分析儀的低雜訊內部訊號源,通常僅需少量的相關次數即可量測高品質振盪器,使用者能更快獲得可靠的結果,進而縮短研發與製造時間。

搭配 R&S®FSWP-B61 選配在不同頻率下的典型靈敏度(起始偏移頻率 1 Hz)
高階訊號與頻譜分析儀
訊號與頻譜分析儀功能基於 R&S FSW,具備獨特的射頻性能與高靈敏度;分析儀的低相位雜訊使使用者能夠精確分析調變、以高動態範圍量測相鄰通道功率,以及量測極接近載波的雜散發射 (Spurious emissions),內部前置放大器將顯示平均雜訊位準 (DANL) 降低至 –165 dBm (1 Hz) 以下;額外的雜訊消除功能使 DANL 接近 –174 dBm (1 Hz) 的理論極限,特別是在雜散發射量測方面極為快速,因為 R&S FSWP 能使用比低靈敏度頻譜分析儀更高的解析頻寬進行量測。
典型值 25 dBm 的高三階截距點 (TOI) 提供了寬動態範圍,讓使用者在有大輸入訊號存在的情況下量測微小輸入訊號,並確定寬頻調變訊號的相鄰通道抑制能力;當作為訊號分析儀使用時 (R&S FSWP-B1 選配),R&S FSWP 使用高達 320 MHz 的分析頻寬 (R&S FSWP-B320 選配),並提供以 I/Q 資料為基礎的內部訊號分析選配,這實現了自動分析脈衝 (R&S FSWP-K6 選配);R&S FSWP 可在寬頻段內記錄數據,並一鍵計算所有重要的脈衝參數,如脈衝寬度、上升時間和脈衝重複頻率。
數位調變訊號可使用內部向量訊號分析功能 (R&S FSWP-K70 選配) 進行評估,R&S FSWP-K7 選配則適用於類比調變訊號,使用者亦可將 I/Q 數據上傳至電腦進行自行分析。
- 寬動態範圍:
低雜訊位準 –156 dBm (1 Hz) (無雜訊消除及前置放大器) 及高 TOI 典型值 25 dBm - 總量測不確定度:
3.6 GHz 以下 < 0.2 dB,8 GHz 以下 < 0.3 dB - 相位雜訊:
在 1 GHz 時為 –140 dBc (1 Hz) (100 kHz 偏移) - 分析頻寬:
320 MHz 訊號分析頻寬 - 可選配的內部量測應用:
- 脈衝量測 (R&S FSWP-K6/K6S/K6P)
- 向量訊號分析,用於分析數位調變單載波 (R&S FSWP-K70)
- 類比調變 (AM, FM, PM) 單載波之調變分析 (R&S FSWP-K7)
- 雜訊指數 (Noise figure) 量測 (R&S FSWP-K30)
- 低準位混疊訊號偵測與顯示 (R&S FSWP-K50)
- 跳頻訊號與頻率啁啾 (Chirps) 分析 (R&S FSWP-K60/-K60C/-K60H/-K60P)

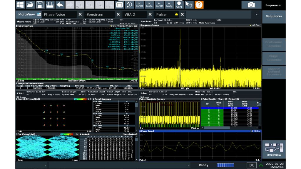
高靈敏度相位雜訊量測、頻譜分析、向量訊號分析及脈衝訊號分析:R&S FSWP 可輕鬆切換量測通道並同步顯示結果。
自動脈衝參數量測
與專用的脈衝量測應用 (R&S FSW-K6/R&S FSWP-K6) 類似,配備 R&S FSW-K4 的 R&S FSWP 會自動判斷與脈衝訊號源相位雜訊量測相關的所有脈衝參數 (例如脈衝重複頻率和脈衝寬度),使用者無需擔心如何正確設定這些參數;此外使用者可以定義閘極 (Gate),例如用於抑制瞬態現象,不再需要進行後續修正、移動軌跡或手動限制可用的偏移範圍。

脈衝訊號量測:左上視窗顯示脈衝訊號源的相位雜訊,偏移量最高達脈衝重複頻率的一半,右上視窗可見振幅雜訊。
脈衝訊號上的殘餘相位雜訊
透過互相關技術實現更高靈敏度
R&S FSWP 在此操作模式下,同樣使用互相關技術來抑制內部元件的殘餘相位雜訊,這使得分析儀能提供比透過鎖相迴路 (PLL) 的量測顯著更好的靈敏度,並讓使用者可以開發低雜訊發射機,例如:用於提升雷達系統的定位和時間解析度。
脈衝訊號上的殘餘相位雜訊
配備 R&S FSWP-K4 選配後,R&S FSWP 即可量測脈衝訊號上的殘餘相位雜訊;例如為了分析和優化雷達發射機的元件,這些元件必須在真實條件下使用脈衝訊號進行測試;在脈衝模式下運作的放大器表現可能與連續波模式大不相同,這項量測以往僅能透過極其複雜的測試設置來實現,但 R&S FSWP 僅需按一下按鈕即可完成。
在用於偵測移動物體的雷達應用中,脈衝的相位和振幅必須非常穩定,這是區分物體與非預期反射的唯一方法,振盪器和放大器是訊號不穩定的主要原因;配備 R&S FSWP-K6 和 R&S FSWP-K6P 選配的 R&S FSWP 可以量測並顯示這些不穩定性,當安裝內部訊號源 (R&S FSWP-B64) 時,儀器甚至可以對放大器、電纜和其他雙埠元件進行脈衝穩定度的殘餘量測;R&S FSWP 達到了以往僅有少數極其昂貴且複雜的量測系統才能實現的靈敏度水準,3D 圖顯示單個脈衝及各種脈衝序列 (Bursts) 的相位和振幅穩定度,提供更精確的概覽。

各種脈衝序列 (Bursts) 中脈衝相位穩定度的 3D 圖
用於 VCO 特性分析的低雜訊內部直流電源
R&S FSWP 配備極低雜訊的內部直流電源 (DC sources),用於供應和控制壓控振盪器 (VCO) 及其他元件,使量測 VCO 變得容易;建立 VCO 規格表也同樣簡單,因為 R&S FSWP 可以在不同的調諧和電源電壓下量測相位雜訊,提供規格中通常列出的參數值。
內部直流電源規格
- 電源電壓:0 V 至 16 V
- 最大電流負載:2000 mA
- 調諧電壓:–10 V 至 +28 V
- 最大電流負載:20 mA
完整的 VCO 特性分析
只需按一下按鈕,R&S FSWP 即可量測並分析 VCO 所需的所有參數:
- 頻率對應電壓 (Frequency versus voltage)
- 調諧斜率對應電壓 (Tuning slope versus voltage)
- 輸出功率對應電壓 (Output power versus voltage)
- 電流消耗對應電壓 (Current drain versus voltage)
- 輸出功率對應頻率 (Output power versus frequency)
使用者可以決定是否改變調諧電壓或電源電壓,以及應在調諧電壓輸入端還是電源電壓輸入端量測電流。
量測高次諧波
R&S FSWP 不僅能提供基頻測量,更支援高次諧波功率隨 VCO 調諧電壓變化的完整特性分析,這項能力極為關鍵,因為未經妥善抑制的諧波是導致整個系統干擾的主要雜訊源,因此諧波抑制性能已成為 VCO 使用者在評估規格時,最關注的核心參數。

典型的壓控振盪器 (VCO) 量測,關鍵參數如頻率、功率、靈敏度 (調諧斜率) 及電流消耗均相對於調諧電壓進行量測。
量測瞬態或頻率跳變 (瞬態分析)
高達 8 GHz 的頻率與相位分析頻寬
R&S FSWP 提供高達 8 GHz 的頻寬,用於分析頻率或相位隨時間變化的特性,以詳細分析開關訊號源、合成器頻率跳變 (Frequency hops) 和頻率斜坡 (Frequency ramps),是否達到所需頻率?切換時間多長?頻率何時進入目標容許範圍?使用者只需按一下按鈕即可獲得這些問題的答案;除了寬頻分析外,R&S FSWP 還提供低至 40 MHz 的窄頻分析,例如用於詳細檢查鎖相迴路 (PLL) 的瞬態響應。
為了分析和優化訊號源的整體性能,這些時域中的窄頻和寬頻頻率及相位量測 (瞬態分析) 具有極高的價值,主要針對合成器或捷變頻率 (Frequency agile) 系統的設計者,所有軌跡的持續顯示 (Persistence display) 可以估計這些參數的分散程度或是否有任何異常值。
透過相位或頻率偏差觸發
為了詳細檢查合成器的瞬態響應,建議使用觸發器以獲得可比較且可重複的量測結果,除了使用外部觸發或功率觸發外,在瞬態分析中,使用者還可以透過頻率或相位偏差進行觸發,這是藉由輸入訊號的即時解調所實現的,使用者可以定義頻率門檻值,使訊號僅在特定頻率之上或之下時顯示;這項能力對於錯誤診斷與合成器調優至關重要,因為它讓使用者能夠精確地選擇並觸發所需的跳頻事件進行測試。

合成器的瞬態響應 (持續顯示模式):紅色水平線顯示頻率觸發門檻,垂直線顯示觸發偏移;亮黃色軌跡為當前量測,暗黃色軌跡顯示所有先前的量測。
振幅雜訊量測準確度顯著高於二極體檢波器
R&S FSWP 可量測振幅雜訊以及相位雜訊,兩種量測結果可以同時顯示在圖表中或分開的視窗中,R&S FSWP 的高精度訊號源結合互相關技術,超越了基於二極體檢波器的量測準確度,靈敏度最高可提升 20 dB。

R&S FSWP 可同步量測相位雜訊與振幅雜訊,結果可顯示於不同視窗或合併於同一視窗 (灰色區域:R&S FSWP 的互相關增益,綠色軌跡:振幅雜訊,黃色軌跡:相位雜訊)。
量測艾倫偏差與艾倫變異數
為了分析振盪器的頻率穩定度,會在固定時間間隔內量測時域頻率,並確定量測的偏差/變異數,此參數通常繪製為隨時間變化的圖表,而非單一數值輸出,這對於分析衛星導航系統中使用的高穩定訊號源尤為重要;數千秒的長期頻率穩定度也可以從近載波相位雜訊中計算出來,R&S FSWP 可顯示長達 100 萬秒的艾倫偏差 (Allan deviation) 和艾倫變異數 (Allan variance) (最小偏移:1 μHz),與以往的方法不同,此方法能輕易抑制在相位雜訊頻譜中呈現為雜散發射的非預期副作用,即使是儀器內部訊號源相位雜訊引起的短期干擾也能輕易被抑制。

R&S FSWP 根據相位雜訊量測計算艾倫偏差 (上圖視窗),例如,10 mHz 至 10 MHz 的偏移範圍對應於 100 ns 至 100 s 的時域顯示。