衛星酬載與零組件測試
從零組件特性分析到全酬載在軌模擬
確保衛星通訊系統在嚴苛太空環境下的長期穩定運作與服務品質
衛星通訊系統因其在商業與政府應用中的關鍵角色,必須確保數十年的全天候可靠運作,因此嚴格且全面的測試至關重要;然而,現今的衛星技術為提升系統容量與靈活性,架構日益複雜,例如:從傳統的「彎管式」演進至「數位再生酬載」,這大幅增加了測試的難度,與此同時,設備製造商還必須在訊號波束數量持續增加的趨勢下,設法縮短測試時間並降低成本。
為應對此一挑戰,市場迫切需要快速、精準且可重現的量測方案,Rohde & Schwarz 所提供的創新 RF 與毫米波測試解決方案,正是在效能、成本與時程上滿足這些需求,能協助客戶成功開發並驗證新一代的衛星酬載與零組件。

圖說:衛星通訊網路元件。

圖說:彎管式衛星酬載通道的高階系統元件(例如濾波器、放大器、頻率轉換器)。

圖說:再生酬載通道的高階系統元件。
群組延遲量測
為了描述衛星通訊中傳輸路徑的品質,會使用群組延遲量測來確定相位失真。
使用頻譜分析儀與訊號產生器量測轉發器模組和頻率轉換器的群組延遲
R&S FSW 頻譜分析儀和 R&S SMW200A 訊號產生器可用於快速、直接地量測衛星轉發器、頻率轉換器及其他零組件的絕對與相對群組延遲,在多載波群組延遲量測方法中,訊號產生器會發送一個多載波連續波訊號作為激勵源,可以改變音調的數量及其間隔(孔徑),以滿足待測物(Device Under Test, DUT)的要求,R&S FSW 頻譜分析儀分兩步驟執行這些量測:
- 第一步 – 參考校準 產生器直接連接到分析儀,由分析儀確定各個載波的參考相位和振幅。
- 第二步 – 群組延遲與增益量測 連接 DUT,分析儀根據參考訊號與在 DUT 輸出端量測到的多載波訊號之間的相位差,精確地確定整個載波頻率範圍內的群組延遲。

圖說:使用 R&S SMW-K61 和 R&S FSW-K17 多載波群組延遲量測應用的群組延遲量測。
多載波方法提供以下優勢:
- 可在毫秒內量測寬頻訊號的絕對與相對群組延遲。
- 訊號平均與平滑化功能可改善載波雜訊比,為高訊號路徑損耗的測試取得有效結果。
- 自動補償在軌量測時的都卜勒效應。
- 可描述頻率轉換器的相對群組延遲,量測精度達 1 ns;無需參考混頻器或黃金樣品。
- 在非頻率轉換量測中,相對群組延遲的量測精度為 300 ps。
- 內部靈活產生多載波連續波(multi-carrier continuous wave, MCCW)訊號和調變訊號;可在 R&S SMW200A 向量訊號產生器上設定載波的間隔和數量。
- 解嵌入(Deembedding)功能可校正量測設置中纜線和治具的頻率響應。
- 透過 R&S FSW-K17S 選項,可量測具有低訊噪比(Signal-to-Noise Ratio, SNR)的寬頻訊號,此選項透過分析整體訊號的子區間來改善 SNR 和量測速度。

圖說:帶通濾波器上的群組延遲,此圖顯示帶通濾波器如何在頻帶邊緣增加更多的群組延遲,在衛星通訊系統中,當要確定每個通道頻帶邊緣的失真量時,頻率轉換器或轉發器通道的相對群組延遲至關重要。

圖說:帶通濾波器上的相對群組延遲量測。
克服不穩定內部 LO 的挑戰:精準的頻率轉換器群組延遲量測
在量測無法存取本地振盪器(Local Oscillator, LO)或內部 LO 不穩定的頻率轉換裝置時,傳統方法常因漂移或雜訊導致的相位與頻率偏差,使其準確度和適用性受到嚴重限制,Rohde & Schwarz 的 R&S ZNA 向量網路分析儀採用創新的雙音(two-tone)技術,徹底解決了這項難題。
此技術的核心是透過雙音激勵訊號,精準量測訊號在待測物(DUT)輸入與輸出端的相位差,並以此計算出群組延遲,R&S ZNA 獨特的前端設計,使其能夠量測兩個不同頻率訊號間的相位,因此非常適合內部 LO 不穩定的 DUT,因為該方法可容忍高達數 MHz 的內部 LO 頻率與相位偏差,大幅提升了量測的可靠性。
硬體整合與效能優勢
R&S ZNA 進一步透過硬體整合,簡化了測試流程並提升了效能:
- 簡化設置:新開發的內部合路器無需外部連接即可產生雙音訊號,使測試架構更為精簡。
- 擴展功能:僅需一部雙埠的 R&S ZNA 並選配第二訊號源,即可同時量測嵌入式 LO 轉換器的群組延遲與互調失真。
- 雙倍速量測:儀器內建兩個獨立的 LO 供內部接收器使用,讓 RF/IF 的量測得以同時進行,不僅量測速度提升一倍,更有效降低了轉換損耗與群組延遲量測中的軌跡雜訊。
此外,R&S ZNA 還能對量測到的群組延遲進行積分,進而計算出相對相位及與線性相位的偏差,提供更全面的裝置特性分析。

圖說:使用網路分析儀的測試設置,展示 R&S ZNA 向量網路分析儀(2 埠)及其 R&S ZNA-K9 示意圖。
頻譜分析儀與網路分析儀群組延遲量測的測試設置比較
|
頻譜分析儀與訊號產生器 |
向量網路分析儀 |
|
|
儀器 |
|
|
|
量測原理 |
|
|
|
優點 |
|
|
|
建議 |
|
|
線性度與增益轉移量測
模擬真實訊號,一次完成完整特性分析
對於從事衛星通訊系統的 RF 工程師而言,精準分析衛星轉發器、功率放大器及頻率轉換器等關鍵零組件的特性至關重要,典型的量測項目包含增益壓縮、AM/AM、AM/PM 以及如 NPR 或 ACLR 等失真指標。
為滿足此需求,R&S SMW200A 向量訊號產生器與搭載 R&S FSW-K18 選項的 R&S FSW 向量訊號分析儀構成了一套理想的測試方案;此方案的核心在於,分析儀 (R&S FSW) 能完全同步控制產生器 (R&S SMW200A),使其精確掌握施加於待測物 (DUT) 的參考訊號,藉由這種同步機制,僅需單一次量測,即可比較參考訊號與 DUT 的輸出訊號,迅速得出完整的特性結果。
此測試方案的核心優勢在於其精準度與貼近真實應用的能力:
- 模擬真實條件進行測試:
可選擇使用傳統的連續波 (CW) 功率掃描作為參考,或採用更能反映真實應用的數位調變訊號(具備特定頻寬與峰值因數),以準確評估 DUT 在實際工作環境下的效能表現。 - 寬頻分析能力:
具備高達 8.3 GHz 的分析頻寬,能夠精準量測新一代寬頻放大訊號。 - 先進的數位預失真 (DPD) 功能:
- 內建直接數位預失真 (direct DPD) 功能 (R&S FSW-K18D),可有效補償記憶效應,協助將 DUT 的效能發揮至極致。
- 支援直接推導並匯出記憶多項式係數 (R&S FSW-K18M),並包含 Hammerstein 模型,以實現高效能的即時記憶 DPD。
- 完整支援各種多項式或模型 DPD 方法 (搭配 R&S FSW-K18 與 R&S SMW-K541)。
- 視覺化最佳操作點:
參數掃描功能可產生 3D 圖表,讓使用者能夠快速、直觀地找到 DUT 的最佳操作點。

圖說:精簡化的測試設置:使用 R&S SMW200A 與 R&S FSW,即可對放大器、轉換器等雙埠裝置進行完整的特性分析。

圖說:高效單次量測:一次操作即可同步獲取裝置完整的增益、相位與失真特性。

圖說:快速識別最佳效能:透過功率、EVM 與頻率的 3D 圖表,迅速鎖定 DUT 的最佳操作點。

圖說:揭示記憶效應:比較兩種激勵源下的增益轉移 (AM/AM) 曲線,上方直線 (CW 掃描) 呈現理想狀態;右側雲狀圖 (數位調變訊號) 的線寬則清晰地揭示了放大器在處理高頻寬訊號時的記憶效應。
雜訊功率比 (NPR) 量測
精準評估 RF 鏈路的線性度與互調失真
雜訊功率比 (Noise Power Ratio, NPR) 是一項評估 RF 轉發器與零組件線性度的關鍵指標,此測試透過模擬多通道通訊酬載滿載時的高斯類雜訊分佈,來量化 RF 輸出鏈所產生的互調失真與雜訊基底。
其原理是發送一個帶有帶阻濾波器 (Notch Filter) 的寬頻激勵訊號通過待測物 (DUT),DUT 的非線性會產生交互調變產物並落入帶阻區域內,因此,輸出端帶阻濾波器的深度就直接反映了 DUT 的線性度——帶阻越深,表示互調產物越少,線性度越佳。
R&S SMW200A 訊號產生器與 R&S FSW 頻譜分析儀的組合,為 NPR 量測提供了高效且靈活的解決方案;R&S SMW200A 不僅能產生傳統的測試訊號,更能模擬真實世界的條件:
- 多載波連續波 (MCCW) 訊號:
透過 R&S SMW-K61 選項,可產生此訊號來模擬寬頻通道,並藉由關閉特定音調,形成具有陡峭邊緣和高達 50 dB 開/關比的帶阻濾波器,使用者可靈活設定帶阻的位置與寬度。 - 模擬真實世界條件:
除了 MCCW,產生器還能生成帶有帶阻的加成性高斯白雜訊 (AWGN) 或數位調變訊號。這使得 DUT 能在更貼近實際運作的條件下進行測試,獲得更具參考價值的結果。
不論使用何種訊號,R&S FSW 分析儀都能透過專用量測功能,精準量測訊號通過 DUT 後的帶阻深度。
此解決方案的主要優勢包括:
- 高精準度與效率:
無需預先校準,即可量測高達 50 dB 的 NPR 帶阻深度,並支援 2 GHz 的平坦訊號頻寬。 - 靈活的訊號生成:
測試訊號的建立與修改過程非常直觀、簡便。 - 清晰的結果呈現:
量測結果可在 R&S FSW 分析儀上輕鬆讀取與分析。

圖說:由 R&S SMW200A 向量訊號產生器產生的 2 GHz 寬多載波連續波 (MCCW) 訊號,並在中心帶有帶阻濾波器。

圖說:使用 R&S SMW-K61 與 R&S FSW 進行 NPR 量測的典型設置。

圖說:在 R&S FSW 訊號與頻譜分析儀上執行的 NPR 量測結果畫面。
訊號品質量測
在衛星整合以及在軌運作期間,調變準確度和位元錯誤率(Bit Error Rate, BER)量測對於驗證衛星鏈路的品質是必要的,調變準確度和 BER 量測通常涉及分析從在軌衛星或地面站於不同頻率發射的載波功率和數位解調特性,誤差向量幅度(Error Vector Magnitude, EVM)是決定轉發器內部再生訊號品質的關鍵參數。
使用 R&S FSW-K70 向量訊號分析(VSA)選項,可以輕鬆監控 EVM、BER、訊號振幅和相位等參數,R&S FSW-K70 VSA 選項透過將衛星傳輸和/或接收的訊號與理想的參考訊號進行比較,來確定其品質,R&S FSW-K70 選項會根據 DUT 傳輸的訊號以及使用者設定(如調變類型和符碼率)來計算參考訊號。
FSW-K70 選項中的向量訊號分析儀讓使用者能夠:
- 分析具有高達 8.3 GHz 訊號分析頻寬的數位調變單載波訊號。
- 分析調變。
- 使用 DVB‑S2(X)、DVB-S2X Annex E、DVB-RCS2 的預定義標準特定設定。
- 量測 BER。

圖說:在軌衛星載波監控:使用圖中所示的設置,可以快速準確地監控衛星,根據地面站的配置和使用的頻段,可選用不同頻率範圍的頻譜分析儀。

圖說:衛星鏈路干擾的故障排除:載波中載波量測;載波中載波量測是 VSA 應用程式如何協助分析和排除衛星鏈路干擾的一個例子:例如無線通訊訊號干擾了由營運中地面站發射的訊號,或衛星地面站之間互相干擾,在這種情況下,干擾源和受害者在相同的頻段工作,並具有相同的調變特性,因此,所需訊號的品質會惡化,但在查看頻譜時無法立即檢測到干擾源。

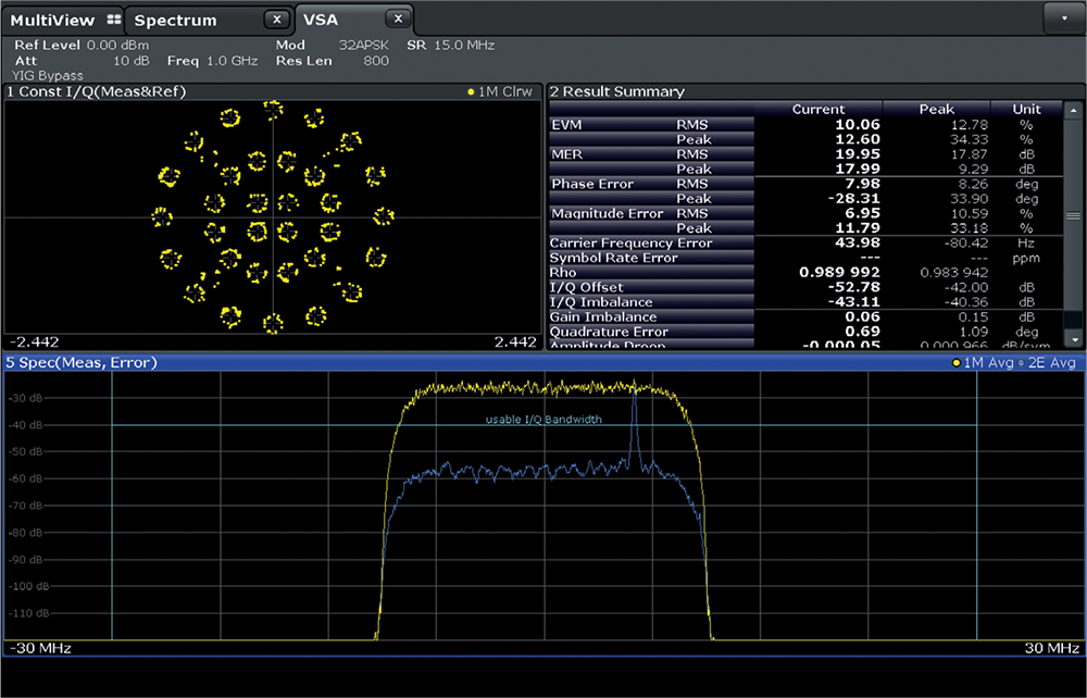
圖說:DVB-S2X 訊號對訊框的酬載和標頭部分使用不同的調變方案,可以使用 R&S FSW **多重標準無線電分析儀(multi-standard radio analyzer, MSRA)**模式和 R&S FSW-K70 選項來分析不同的調變,透過此配置,R&S FSW 可根據相同的 I/Q 資料解調 DVB-S2X 訊號的標頭和酬載資料,並在獨立的視窗中顯示效能參數、星座圖等,在此案例中,酬載使用 256APSK 調變,而標頭和引示訊號部分則使用更穩健的 QPSK 調變,此螢幕截圖顯示的是酬載分頁。

圖說:情境與上圖相同,此螢幕截圖顯示的是標頭分頁。

圖說:此螢幕截圖顯示一個干擾情境的範例,所需訊號是一個 DVB-S2 32APSK 調變訊號,取樣率為 15 Msymbol/s,干擾的 GSM 訊號相對於所需訊號有 –20 dB/5 MHz 的位準/頻率偏移,結果摘要顯示所需訊號的 EVM 增加,誤差頻譜(藍色)顯示在干擾 GSM 訊號所在的頻譜位置有較高的誤差位準。
OFDM 訊號產生與分析
高度靈活的客製化波形設計與驗證
隨著正交分頻多工 (OFDM) 技術成為眾多現代通訊標準的基石,開發、測試及量測客製化 OFDM 訊號的能力變得至關重要,Rohde & Schwarz 提供從訊號產生到分析的完整解決方案,能精準滿足任何應用需求。
OFDM 訊號產生:打造任意客製化波形 (R&S SMW-K114)
R&S SMW-K114 OFDM 訊號產生選項是產生客製化 OFDM 波形的理想工具,提供極高的靈活性與廣泛的支援能力。
- 高度靈活的參數配置:
使用者可完全自由地分配引示訊號和資料,並設定關鍵參數,例如:- 每個訊號最多支援兩種不同的循環前綴 (CP) 長度。
- 支援從 BPSK、QPSK 到 256QAM 的多種調變格式。
- 資料來源可為偽隨機雜訊、預定義序列或使用者自訂的 I/Q 序列。
- 支援多種 OFDM 衍生技術:
除了標準 OFDM,該選項還支援多種新興技術,包括濾波 OFDM (f-OFDM)、通用濾波多載波 (UFMC)、濾波頻帶多載波 (FBMC) 和廣義分頻多工 (GFDM) 訊號。 - 廣泛的應用彈性:
支援離散傅立葉轉換展頻 OFDM (DFT-s OFDM),並可用於客製化訊號濾波,甚至在 OFDM 訊號中置入帶阻濾波器以進行 NPR 量測。

圖說:OFDM 訊號產生器中視覺化的資源分配時間計畫。

圖說:客製化 OFDM 訊號的一般參數設定介面。
OFDM 訊號分析:完全自由的解調與驗證 (R&S FSW-K96)
R&S FSW-K96 OFDM 訊號分析選項賦予 R&S FSW 訊號與頻譜分析儀強大的客製化 OFDM 及 DFT-s-OFDM (SC-FDMA) 訊號解調與分析能力;為實現無縫的測試流程,分析儀可直接匯入由 R&S SMW-K114 訊號產生器所定義的配置文件,大幅簡化設定並確保參數一致。
此選項真正的價值在於給予使用者完全的配置自由度,無論是分析複雜的標準訊號或專有的客製化波形,都能應付自如,同步方式可透過 CP 或前導碼序列 (訓練序列) 完成。
使用者可全面自定義的 OFDM 參數包含:
- 訊號基礎定義:取樣率、FFT 大小、循環前綴 (CP) 長度、擷取時間等。
- 訊框結構與同步:前導碼結構、引示訊號與資料載波的分配、固定星座點等。
- 通道與等化:使用相位、時序和位準追蹤進行通道估計與等化。
- 進階參數:叢發辨識、循環延遲移位、FFT 移位、轉換預編碼等。

圖說:內建的設定精靈,引導使用者輕鬆完成分析配置文件的定義。
圖說:在 R&S FSW 上分析一個佔用 100 MHz 頻寬的客製化 OFDM 訊號。
雜散輻射量測 (Spurious Measurements)
革新演算法,實現前所未有的測試速度與可靠性
搜尋雜散輻射 (spurious emissions) 是 RF 及微波裝置在設計、驗證到生產過程中不可或缺的環節,尤其在衛星應用中,其極其嚴格的限制要求在寬廣頻率範圍內搜尋極低位準的雜散訊號,傳統方法為達到高靈敏度,必須採用窄解析度頻寬 (RBW),但這也導致量測時間急遽增加 — 即便使用高速 FFT 分析儀,一次完整的雜散搜尋仍可能耗時數小時甚至數天。
為解決此一瓶頸,R&S FSW-K50 雜散量測應用程式採用了創新的演算法,能自動化並顯著加速量測流程,其核心是智慧型三階段搜尋流程:
- 第一階段:快速預掃描:
首先進行一次高速掃描,用以快速評估訊號環境並決定後續搜尋的最佳 RBW。 - 第二階段:候選訊號偵測:
接著,使用優化的 RBW 再次掃描,快速標記出所有可能是雜散訊號的候選峰值。 - 第三階段:高速精準驗證:
最後,僅針對各個候選訊號的頻率點進行高速的單點搜尋,並可進一步縮小 RBW 以滿足 SNR 要求,藉此精準判斷該峰值是真實的雜散訊號,還是雜訊或儀器內部產生的假象。
相較於傳統方法,此智慧型流程帶來了顯著的優勢:
- 革命性的量測速度:
雜散搜尋速度比傳統頻譜分析儀提升約 30 倍,尤其在需要極低 RBW 的嚴苛測試中,效益最為顯著。 - 智慧型 RBW 自動設定:
應用程式會根據使用者設定的最大允許雜散位準及所需訊噪比 (SNR),自動計算並採用最佳的 RBW,免除繁瑣的手動設定。 - 彈性的測試模式:
提供兩種模式,包括針對未知訊號的寬頻搜尋,以及僅在特定頻率點進行驗證的定向搜尋,滿足不同測試情境的需求。

圖說:R&S FSW-K50 應用程式內建的智慧型三階段量測流程示意圖。

圖說:寬頻雜散搜尋的設定介面,可針對不同頻率範圍獨立設定測試參數。

圖說:雜散量測應用程式的最終結果畫面,清晰條列所有已驗證的雜散訊號。

圖說:單點搜尋放大圖,應用程式自動縮小雜散訊號周圍的 RBW 以降低雜訊基底,滿足 SNR 要求並確認其為真實雜散。
雜訊指數與增益量測
R&S FS-SNS 智慧雜訊源:實現自動化、高精準度的量測
傳統雜訊指數量測的挑戰
使用頻譜分析儀進行雜訊指數與增益量測,傳統上依賴 Y 因子法,需要一個超額雜訊比 (Excess Noise Ratio, ENR) 雜訊源作為參考,然而,傳統雜訊源的 ENR 值會隨頻率與溫度變化,使用者必須從紙本校準資料中,手動將大量的校正值輸入到分析儀軟體內。這個過程不僅耗時、繁瑣,且極易因人為疏失而導致量測錯誤。
R&S FS-SNS 智慧雜訊源:革新量測流程
R&S FS-SNS 智慧雜訊源徹底解決了上述難題,它將所有必要的校準資料,包括 ENR 表、不確定度及反射係數,全部儲存在內建記憶體中,將複雜的設定流程轉變為簡單的「隨插即測」。
核心智慧功能:
- 自動化參數載入:
透過專用纜線連接分析儀後,儀器會自動識別雜訊源並載入所有 ENR 校準表,實現真正的隨插即測,完全取代手動輸入。 - 即時溫度補償:
雜訊源內建溫度感測器,能自動讀取當前環境溫度並將其納入計算,進一步提升量測準確度。 - 精準的不確定度分析:
儀器會自動考量 ENR 不確定度與反射係數,即時計算並顯示完整的量測不確定度,讓結果更具可信度。 - 廣泛的相容性:
- 頻率範圍涵蓋 18 GHz 至 67 GHz 多種型號。
- 全面支援 R&S FSW、R&S FSV3000、R&S ZNL 等多款頻譜與網路分析儀。
R&S FS-SNS 透過一條 7-pin 纜線與分析儀連接,同時提供電源與控制,當搭配 R&S FSx-K30 等專用量測韌體時,所有儀器參數皆會自動完成設定,提供無縫的整合體驗。

圖說:搭配 R&S FSx-K30 應用韌體進行的量測,結果畫面可同時顯示雜訊指數、增益軌跡以及計算出的不確定度。

圖說:R&S FS-SNS 智慧雜訊源,為簡單、準確的雜訊指數與增益量測提供理想的解決方案。
VNA 雜訊指數量測新典範 (R&S ZNA)
無需雜訊源,單次連接完成完整特性分析
R&S ZNA-K30 選項為放大器、轉換器和 T/R 模組的雜訊指數分析帶來了革命性的突破,搭配相應的硬體選項,它能以極低的位準激勵高增益放大器,也能準確量測低增益、低雜訊指數的低雜訊放大器 (LNA)。
突破性的量測方法
此方案的最大創新在於無需使用傳統的外部雜訊源,R&S ZNA 採用創新的冷源法 (cold-source method),透過直接量測待測物 (DUT) 輸入與輸出端的絕對雜訊功率來計算訊噪比,並結合精準的絕對功率位準校準與系統誤差校正來確定雜訊指數,整個校準過程僅需使用標準的 VNA 校準套件與功率感測器,無需任何額外設備。
單次連接的卓越效率
由於無需連接外部雜訊源,DUT 只需連接一次,即可在標準的 S 參數測試環境下,完成全面的特性分析。這不僅大幅簡化了測試流程,更顯著提升了測試效率。
一次連接即可量測所有關鍵參數:
- 雜訊指數 (Noise Figure)
- (轉換) 增益/損耗
- 互調失真 (Intermodulation Distortion)
- 壓縮點 (Compression)
- 群組延遲 (Group Delay)
- 匹配 (Matching)
智慧設定輔助:克服複雜量測挑戰
在量測高增益轉換器等複雜元件時,如何在極低的激勵功率與高量測功率之間取得平衡,以確保結果的準-確性,是一大挑戰;為此,R&S ZNA 提供了強大的 Quickset 設定精靈,它扮演著專家顧問的角色,以互動方式引導使用者完成最佳化設定:
- 引導式設定:
使用者僅需輸入預估的 DUT 特性(如近似增益、雜訊指數)及期望的軌跡雜訊。 - 自動計算與推薦:
Quickset 會自動計算出最佳的量測時間與訊號源功率等參數,並推薦最佳的硬體配置,確保在最短時間內獲得最可靠的量測結果。

圖說:R&S ZNA 直觀的圖形化使用者介面 (GUI),量測路徑中的硬體元件清晰可見,便於快速配置。

圖說:Quickset 對話框:透過互動式引導與半自動配置,協助使用者快速找到最佳測試參數與硬體設定。
在熱真空艙 (TVAC) 中進行測試
克服極端環境,實現不間斷的精準校準與量測
衛星酬載的資格驗證,必須在熱真空艙 (TVAC) 中模擬太空的極端溫度與真空環境,並對其效能進行測試。
TVAC 測試的核心挑戰:維持校準有效性
標準的測試與量測儀器無法在 TVAC 的嚴苛條件下運作,必須置於艙外,並透過長電纜與艙內的待測物 (DUT) 連接,然而,這些長電纜、轉接器及開關的電氣特性會隨著艙內溫度的劇烈變化而產生漂移,導致在測試前完成的校準迅速失效,更具挑戰性的是,一旦艙體密封並抽成真空,手動重新校準便完全不可能,這使得在不同溫度點下的量測結果變得不可靠。
Rohde & Schwarz 解決方案:將參考平面移入艙內
為克服此一挑戰,Rohde & Schwarz 開發了一系列專為 TVAC 環境設計的測試配件,其核心理念是將量測的校準參考平面與功率感測點,從艙外的儀器端直接移至艙內的 DUT 端,從根本上解決因長電纜與溫度漂移所造成的誤差。
方案一:VNA 的遠端在線校準 (R&S ZN-Z33)
R&S ZN-Z33 是一款設計用於在 TVAC 內部穩定運作的自動校準單元,它可永久連接於測試纜線與 DUT 之間,讓工程師能夠在測試過程中的任何時刻,對向量網路分析儀 (VNA) 系統進行遠端重新校準。
主要特點與優勢:
- 遠端即時校準:
可隨時透過遠端指令重新校準,無需破壞真空環境,確保在任何溫度下的量測準確性。 - 專為 TVAC 設計:
出廠時已在 –30 °C 至 +80 °C 的寬溫範圍內完成特性分析,確保在真空與極端溫度下的穩定運作。 - 卓越的 RF 效能:
具備低插入損耗與高有效方向性,對量測路徑的影響降至最低。 - 高擴展性與簡易配置:
單一控制器可支援多達 48 個校準單元,非常適合多埠 DUT;並具備隨插即用的簡易配置。 - 全面的校正能力:
整合於 R&S ZNA 的 SMARTerCal 軟體中,不僅能校正系統,還能對轉接器、分配器等輔助元件進行解嵌入,並支援混頻器量測。
方案二:精準的艙內功率量測 (R&S NRP-V 系列)
R&S NRP33SN-V 與 R&S NRP67SN-V 是專為 TVAC 環境設計的功率感測器,可實現精準、可重複的功率量測。
主要特點與優勢:
- 消除纜線損耗誤差:
將感測器直接置於 DUT 的輸入或輸出埠,徹底消除了長 RF 纜線因溫度變化帶來的損耗與不確定性。 - 高精準度與寬動態範圍:
涵蓋高達 67 GHz 的頻率與 93 dB 的動態範圍,量測結果不受訊號調變類型影響。 - 符合航太規範:
專為 TVAC 設計,並符合歐洲太空總署 (ESA) 規範。 - 簡易的遠端控制:
透過乙太網路供電 (PoE) 的 LAN 連接,可從艙外輕鬆進行控制與資料讀取。
為提供完整的解決方案,Rohde & Schwarz 同時提供由真空友善材料製成的專用 TVAC 纜線與 LAN 饋通裝置,確保整個測試系統的可靠性。

圖說:R&S ZN-Z33 線上校準單元,專為在 TVAC 內部穩定運作而設計。

圖說:TVAC 測試設置示意圖,展示 R&S ZN-Z33 校準單元如何透過 R&S SMARTerCal 軟體無縫整合,實現遠端在線校準。

圖說:專為 TVAC 環境設計的 R&S NRP-V 系列三路徑二極體功率感測器。
圖說:Rohde & Schwarz 的 TVAC 解決方案,將校準單元和功率感測器直接連接到艙內的酬載上,實現最精準的量測。
數位介面測試
衛星內不同系統和元件之間的資料通訊對任務至關重要,必須在所有條件下確保其正常運作;酬載內部以及酬載與衛星平台之間的不同儀器和模組,是透過數位資料和通訊匯流排系統互連的,最先進的系統使用如 SpaceWire 等協定來完成此任務。
R&S RTP 和 R&S RTO6 示波器可輕鬆解碼和除錯不同的匯流排標準,提供多種功能來驗證 DUT 的效能:
- 針對標準化和專有匯流排系統(如 SpaceWire 和採用 8b/10b 編碼的 SpaceFibre)的觸發與解碼選項。
- 獨特的時間與頻率域觸發。
- 不同事件之間的輕鬆關聯簡化了系統故障排除。
- 優異的訊號保真度,垂直解析度高達 16 位元。
- 小型化格式,具備完全整合的多域測試解決方案,包括頻率、協定和邏輯分析功能。
- 整合的任意波形與碼型產生器,用於裝置控制和激勵。

圖說:SpaceWire 架構。 使用兩個 SpaceWire 路由器來提供衛星中不同儀器和模組之間的連接性。

圖說:配備 R&S RTP-K65 選項後,R&S RTP 可輕鬆解碼和除錯 SpaceWire 序列協定。

圖說:使用四通道 R&S RTP 示波器的除錯測試設置。 每個 R&S RTP 通道量測一個不同的域(RF 鏈路、DC 電源供應、資料通訊匯流排),並關聯量測結果。
表格:衛星數位介面測試常用觸發與解碼選項

使用 R&S ZNA 向量網路分析儀對酬載零組件進行 RF 量測

R&S ZNA 主要特點
- 極高的靈敏度。
- 無與倫比的量測速度。
- 頻率範圍高達 67 GHz。
- 最多八個獨立接收器。
- 四個內部、相位同調的訊號源。
- 兩個內部 LO 訊號源。
- 四個脈衝產生器和四個脈衝調變器。
- 內部合路器。
- 全面的觸發與同步功能。
不同 RF 零組件的關鍵量測項目
|
元件 |
主要量測項目 |
|
混頻器/轉換器 |
轉換損耗、輸入/輸出匹配、RF/LO 串擾、壓縮/互調、群組延遲、雜訊指數、無需參考混頻器的相位量測 |
|
天線 |
匹配、天線特性分析、RCS 量測、具有 1 GHz 頻寬的直接 IF 存取、全面的觸發與同步功能、支援高達 1100 GHz 的毫米波量測、反向頻率掃描 |
|
放大器 |
延遲、增益、輸入/輸出匹配、互調、壓縮、雜訊指數、諧波失真、脈衝量測、絕對功率 |
|
濾波器 |
通帶與阻帶衰減、漣波、陡峭度、延遲、匹配、頻寬、Q 因子、TDR 調諧 |

使用 R&S SMW200A 向量訊號產生器
R&S SMW200A 主要特點
- 頻率範圍高達 67 GHz。
- 內部基頻可達 2 GHz I/Q 調變頻寬(在 RF 中)。
- 使用 R&S SMW-K555 頻寬擴展選項可獲得 4 GHz 訊號頻寬。
- 可選的第二個 RF 路徑,最高達 44 GHz。
使用 R&S FSW 訊號與頻譜分析儀
R&S FSW 主要特點
- 頻率範圍高達 90 GHz,使用外部諧波混頻器可達 500 GHz。
- 內部分析頻寬高達 8.3 GHz。
- 800 MHz 即時分析頻寬。
R&S SMW200A 和 R&S FSW
|
元件 (測試儀器) |
主要量測項目 |
|
放大器 |
增益與增益壓縮、AM/AM、AM/PM、壓縮、建模與數位預失真、EVM、輸入/輸出功率、ACLR、NPR、雜訊指數、頻率響應量測與校正、群組延遲、互調 |
|
混頻器/頻率轉換器 |
轉換損耗、壓縮、AM/AM、AM/PM、雜散、雜訊指數、頻率響應量測與校正、群組延遲 |
|
濾波器 |
通帶與阻帶衰減、幅度與相位、頻率響應量測與校正、群組延遲 |
|
振盪器/合成器 |
相位雜訊、雜散、輸出功率 |